

2022 하반기
TCBC Workshop 주요 내용 Summary
지난 2022년 10월 24 ~ 27일에 오프라인과 온라인으로 진행 되었던 TCBC Workshop 의 주요 내용을 요약하였습니다. 대부분의 내용들이 기존 HCT insight 에서 다루었던 내용들로, 기존 내용들도 같이 참조 해주시기 바랍니다.
[FCC] Part 15 Antenna Requirements
FCC 는 지난 2022년 8월 25일 이후 Part 15 Transmitter 기기의 인증 시, Antenna 자료를 공개하도록 요구하고 있으며, Antenna 를 하기 2가지로 분류하여 필요한 사항을 가이드 하였습니다. 자세한 사항은 추후 KDB 353028 에 업데이트될 예정 입니다.
[FCC] New RF Exposure KDB 447498 D01 v7 and URS
최근 개정 중인 RF Exposure General Guide KDB 447498 D01 v07 버전의 Draft 문서 중, 신규로 FCC RF Exposure scope 에 편입된 URS (Unintentional Radiator Sources) 에 대한 RF Exposure 면제 방법이 논의되고 있습니다.
URS 는 Part 15B 또는 Part 18의 Limit 을 만족하는 경우, Exposure 측정이 불가능한 수준의 낮은 Power이므로 (≤ 1 mW) Exemption 가능한 것으로 논의 되었습니다. FCC는 이에 대한 세부 절차를 곧 발표할 예정입니다.
[ISED] Family Certification
ISED 는 Variant Model에 대한 구체적인 Family Certification 가이드 라인을 소개하였습니다. 현재 Family Certification 이 일부분 오용되고 있는 부분이 있어, Family Certification 이 가능한 조건과 불가능한 조건에 대해 구체적인 예시를 들었으며, 모든 모델에 대한 Internal Photo 와 External Photo를 제출하도록 요구하였습니다.
기타 자세한 Family Certification Process 는 RSP-100 의 Section 9.3 참조 바랍니다.
[ISED] 5.9 GHz Bands 할당 검토
ISED 는 현재 5.9 GHz Bands (5850 - 5925 MHz) 를 WLAN 과 같은 기기가 사용할 수 있는 Licensed-exempt 용도(5850 - 5895 MHz) 와 *ITS 용도 (5895 - 5925 MHz) 로 분할 하여 할당을 검토 중에 있습니다.
해당 할당이 진행 될 경우, 5850 - 5895 MHz 대역에서 FCC 와 동일하게 UNII-4 대역을 ISED 에서도 사용할 수 있게 될 것이며, ITS 대역에서는 자율주행을 위한 C-V2X 기술의 사용이 가능하게 될 예정 입니다.
*ITS: Intelligent Transportation Systems 지능형 교통 시스템
그 외의 다른 TCBC workshop 이슈 들은 해당 뉴스레터의 다른 페이지(FCC/ISED issue 등) 에서 자세하게 다루고 있으니, 해당 내용 참조 바랍니다
전체 TCBC Workshop 내용이 궁금하시거나, 세부 내용을 알고 싶으신 분께서는 하기 HCT 로 언제든 연락 바랍니다.
2022 하반기 RED CA Meeting
주요 내용 Summary
지난 2022년 11월 8일~9일에 온라인으로 진행되었던 44th RED CA Meeting 의 일부 내용을 간략하게 정리하여 소개드리고자 합니다.
Cyber Security 동향 (Article 3.3 (d)~(f))
Cyber Security에 대한 RED Delegated Acts Article 3.3(d,e,f) 의 강제 적용일이 2024년 8월 1일로 발표되었습니다. Cyber Security 등장 배경은 다음과 같습니다.
최근 무선 기기(ex. Baby monitor, 로봇 청소기)가 늘어남에 따라, 이러한 IoT 기기들이 불법 해킹 등에 노출되면서 개인 정보가 손쉽게 유출되고, 이를 이용한 사이버 범죄가 늘어나고 있습니다. Cyber Security Delegated Acts Article 3.3(d,e,f)는 이를 예방하기 위한 최소한의 요구 사항을 정하여, 무선 기기가 만족하도록 하는 요구 사항입니다.
대상 기기는 인터넷과 연결되어 있는 모든 무선 기기(Directly or Indirectly Internet-Connected Device) 입니다. 주요 참조 규격은 EN 303 645 이며, 새로 발행될 Harmonized EN 규격은 해당 규격을 참고할 예정입니다.
CRA(Cyber Resilience Act) 발표
2022년 9월 15일 Cyber Resilience Act 문서가 발표되었습니다. 해당 문서는 제품 전반의 수명에 걸쳐 필수적인 Cyber Security 요구 사항들이 기재되어 있으며, 2024년 8월 이후 CRA가 시행되면 기존의 Article 3.3 (d)~(f) Cyber Security 요구 사항을 대치할 것으로 예상됩니다.
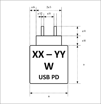
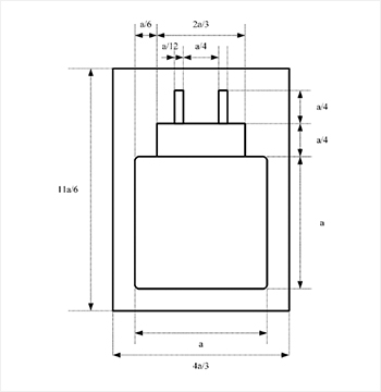
Article 3.3 (a) Common Charger
CE인증의 RED Article 3.3(a) 에 해당하는 Common Charger 요구 사항이 2024년 가을에 강제 적용될 것으로 예상하고 있습니다. (Laptop의 경우 2026년 적용 예상)
픽토그램 예시
라벨 예시